티스토리 뷰
목차
건축도장기능사 자격증 실기 연습
건설회사에 다니는 지인들의 추천으로 건설 초급 경력수첩을 받기 위해 필요한 요건 중 경력은 충족할 수 없으니 일단 자격증이라도 취득하라는 말을 듣고 제일 쉬운(?) 자격증인 건축도장기능사라는 시험을 추천받아 공부를 하게 되었다.
필기 없이 실기로만 이루어지는 시험인데 시험시간이 6시간?

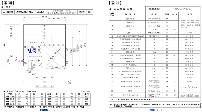
위와같은 작품을 만들어 최종 60정 이상을 받아야 합격이 되는 시험이다.
살면서 페인트를 칠할 일이 몇 번이나 있었겠는가.. 처음 이 합판을 본 순가 "이걸 어떻게 하지!"?!
그래서 학원을 등록을 하고 실기시험 교육을 받기 시작했다. 일요일 9시부터 저년 7시까지 하루 종일 교육을 받았다.



건축도장 기능사 준비물과 실기순서
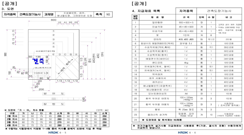
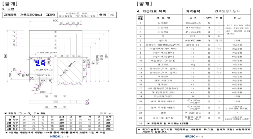
이 자격증은 실기를 연습하기 위해서는 합판이라는 재료와 페인트 등 여러 가지 준비물들이 필요하다.
그래서 전문적인 시성을 갖추고 있는 곳이 아니면 일반인들이 실기 연습을 하기가 쉽지 않다.
그래서 자꾸 머릿속으로 작업순서를 떠올리며 기억을 더듬어 가는 수밖에 없다.
그래서 나는 대략적인 순서와 주의 사항을 머릿속으로 그려보며 시험을 준비해 보고자 한다.
| 과제1,2 | ||
| 연마 후 선긋기 | 1.연마 | #120 |
| 퍼티 후 선긋기 퍼티가 마를 때까지 문자도안 하기 |
2.퍼티제 작업 | 종이컵 한컵 +물 혼합 바닥면이 보이지 않을 두께 판과 각목 경계면부터 작업 -> 각목옆,위 |
| 연마 후 선긋기 선 긋고 않고 연마 작업시 실격 (선 안쪽으로만 작업) |
3. 연마 | #220 |
| 중도 후 선긋기 | 4. 수성바인더 (중도) | 바인더 약 2수저+물 (2:1비율) 각목에 바를시 실격 |
| 5.수성상도 1차 | 조색(페인트 버리지 말것) 그라데이션부분 제외 나머지 합판부분 |
|
| 6.연마 | #320 | |
| 7.수성상도 2차 | 2차는 신경써서 작업 | |
| 8.그라데이션 | 6개컵 준비 마지막 검은색은 흰색 반스푼+검은색한스푼 -옆으로 이동하며 2-3막대기 가량 순차적으로 섞으며 이동 |
|
| 판을 세워서 작업 | 9.래커서페이서(중도) | 서페이서 한수저+래커신나 혼합(2:1) 각목 4부분부터 작업 찬바람으로 건조 |
| 10.래커상도 1차 | 조색해야함 조색페인트에 신나를 반정도 섞음 찬바람으로 건조 |
|
| 11.연마 | #320 상도 1차면 연마 |
|
| 12.래커 상도 2차 | 한쪽면 칠하고 흐룰 수 있으니 드라이기로 말리면서 작업함 | |
| 과제3 | 13문자도안 | 글씨는 수성페인트로 조색 테이프로 고정 |
| 과제4 | 14 도형 | 애마멜과 애나멜신나 혼합 (반스푼+신나조금) |
머릿속으로 그려보는 작업 순서
시작하기에 앞서 #120 연마지를 이용하여 합판 전체를 골고루 연마하고 붓을 이용하여 먼지를 털어준 후 지정된 수치의 선을 그려주고 선을 따라 테이프를 붙여준다.
퍼티를 종이컵 한 컵 정도 듬뿍 떠서 물과 함께 혼합하여 바닥면이 보이지 않을 두께로 합판 전체를 골고루 칠해주고 드라이기를 사용하여 건조한다. 마를 때까지 문자 도안을 해준다.
퍼티가 다 마르면 선을 그어주고 선 안쪽으로(각목도) 연마를 해준다. *선 바깥쪽은 절대 연마 금지 (실격 사유)
연마 후에 선을 또 그어주고 수성 바인더(중도) 작업을 하기 위해 2인치짜리 붓으로 바인더 약 2 수저+물(2:1) 비율로 붓으로 찍었을 때 주르륵 흐를 정도의 농도로 선 안쪽으로 칠한다. *각목은 칠하지 않음 (실격 사유)
선을 그어준 후 수성상도 1차에는 조색을 해주고 그러데이션 부분 제외 나머지 합판 부분 칠함(페인트 버리지 말 것)
#320 연마지의 반만 이용하여 상도1차칠된 부분 연마를 한다.
수성 상도 2차는 1차 때 칠하고 남은 페인트로 칠해주고 드라이기로 건조한다.
그라데이션은 6개의 컵과 6개의 나무 막대기를 준비하고 마지막 검은색 부분은 흰색 반 스푼+검은색 한 스푼을 섞어 만들고 옆으로 이동하면서 3막 대기정도 옆으로 이동하며 색을 만든다. 3~4번은 면적이 넓으니 양 조절을 해야 한다.
래커 서페이서(중도)는 합판을 일단 먼저 세워놓고 서페이서 한수 저+신나혼합(2:1) 비율로 각목 4 부분부터 작업하고 찬바람으로 건조를 시킨다.
래커상도 1차는 조색 페인트에 시너를 반 정도 섞은 후 마지막으로 그어진 선 안쪽으로 칠해주고 찬바람으로 건조한다.
#320 연마지를 이용하여 상도 1차면을 연마해주고 래커상도 2차는 두툼하게 칠해야 하니 한쪽면 칠하고 흐를 수 있으니 드라이기로 말리고 난 후 돌리면서 작업을 해줘야 한다.
문자도안은 컴퍼스를 이용하여 문자 각 꼭짓점 부분에 구멍을 내어주고 합판에 고정시킨 후 연필로 표시를 해두어 그 선을 연결하여 문자를 그려주고 수성페인트로 조색을 하여 칠해준다.
도형은 에나멜과 애나멜 신나를 섞어주어 칠해준다.

순서는 어떻게 하든 상관없다. 완성된 작품을 만들어 내면 된다. 필자도 교육장에서 한번 실습교육만 받고 온 상태라 실제 시험장에서 합격할 수 있을지 모르겠으나 기억을 더듬어 보면 좋은 결과 있으리라 본다.
문자와 도형을 만드는 방법은 추후 포스팅 예정이다.
'건축도장기능사' 카테고리의 다른 글
| 건축도장기능사 문자 글자 도안 및 도형 그리기 설명 및 시간 분배 (0) | 2022.11.07 |
|---|---|
| 건축도장기능사 시험 일정 및 시험 접수 방법 &합격률 (0) | 2022.11.02 |